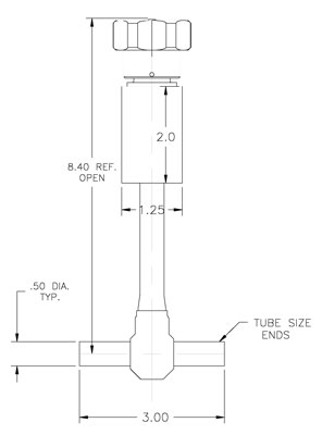
Home » Cryogenic Valves » Liquid Nitrogen Valves » C5000 Cryogenic Valves - 1/2"

C5000 Cryogenic Valves - 1/2"