Vacuum Seal-off Valve V1000 Series with Side Port
1/2" and 1" Seal-Off Valves with Side Port
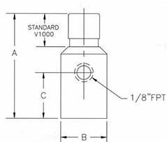
Cryocomp has added an integrated port on the side of the 1/2″ and 1″ standard seal-off valves for the purpose of installing a vacuum sensor to read the vacuum at any time after the evacuation is complete and the system is sealed off. This capability is especially important since it eliminates the need for drilling and welding on the system, which in turn eliminates potential leak paths and saves time during fabrication. The operating specifications are the same as the base valve.


Part Numbers and Dimensions
SIZE: 1/2″
Stainless Steel: V1045-5
Dimensions:
- A: 2.28″
- B: 1.00″
- C: 1.00
See 1/2″ valve operators:
1/2″ pipe end valve operator V1045-2
1/2″ flange end valve operator V1045-3-25
SIZE: 1″
Stainless Steel: V1085-5
Dimensions:
- A: 2.77
- B: 1.375
- C: 1.00
Not compatible with Cryofab vacuum seal valves.
See 1″ valve operators:
1″ pipe end valve operator V1085-2
1″ flange end valve operator V1085-3-25
